

ميزان السلطة مناسب لوزن المنتجات كبيرة الحجم مثل البطاطس والطماطم والبصل والفواكه والخضروات والسلطة ذات الوزن المستهدف الكبير.

1. خلية تحميل خاصة بدقة عالية ومعايير عالية.
2.يمكن أن تقلل وظيفة استرداد البرنامج من فشل العملية ، وتدعم معايرة الوزن متعددة الأجزاء.
3. لا توجد منتجات وظيفة الإيقاف التلقائي يمكن أن تحسن ثبات الوزن والدقة.
4. السعة الخطية يمكن تعديلها بشكل مستقل ، يمكن أن تجعل التغذية أكثر اتساقًا.
5.15 لغة متاحة للأسواق العالمية.
يمكن أن تلبي سعة برامج 6.100 متطلبات الوزن المختلفة ، وتسهم قائمة المساعدة سهلة الاستخدام في شاشة اللمس في سهولة التشغيل.
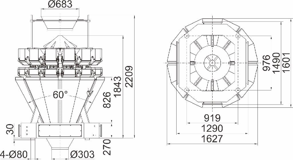
1. مخروط علوي دوار قابل للتعديل بسرعة مناسب لتغذية المنتجات المختلفة.
2. يعمل الهزاز الخطي المحسن على تحسين قابلية تدفق المواد.
3. إن وعاء الهزاز الخطي المنحني الخاص يضمن تغذية سلسة.
4. 60 درجة من مجرى تصريف الدمامل يساهم في مشاكل أقل لزوجة.
5. عززت علبة آلة تكثيف الألمنيوم المصبوب بالكامل من قوة الآلة ، وقصر الوقت المستقر للعينة.
6. الكشف الاختياري عن المواد من نوع الوزن ، والتحكم الدقيق في وقت التغذية ، وسمك المواد ، لضمان دقة الوزن.
| نموذج | JW-AM10 | JW-AM14 |
| تعريف الكود | AM10-1-11 | AM14-1-11 |
| نطاق الوزن | 100-3000 جرام | 100-3000 جرام |
| صحة | اكس (1) | اكس (1) |
| السرعة القصوى | 50P / م | 80P / م |
| حجم القادوس | 5 لتر | |
| لوحة التحكم | شاشة تعمل باللمس مقاس 7 بوصات | |
| خيارات | قادوس التوقيت / الطابعة / جهاز الرفض | |
| نظام القيادة | محرك خطوة | |
| متطلبات الطاقة | 220 فولت / 1500 واط / 50/60 هرتز / 10 أمبير | 220 فولت / 1500 واط / 50/60 هرتز / 12 أمبير |
| أبعاد التعبئة (مم) | 1910 (طول) × 1290 (عرض) × 1810 (ارتفاع) | 2195 (طول) × 1380 (عرض) × 2060 (ارتفاع) |
| الوزن الإجمالي | 700 كجم | 850 كجم |



