

MiNi Multihead Weigher Machine is suitable for weighing small weight granules such as seeds, tea, coffee beans etc.

1. Use high precision, high resolution specially designed loadcell.
2. Program recovery function can reduce operation failures and support multi-segment weight calibration.
3. No products auto pause function can improve weighing stability and accuracy.
4. Linear amplitude can be adjusted independently in the running.
5. Many languages available for global markets.
6. 100 programs capacity can meet various weighing requirements and user-friendly help menu contributes to easy operation.
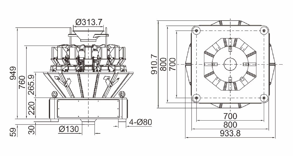
1. 0.5L hopper, super low vibrating design to ensure more stable running and higher weighing accuracy.
2. Use weighing type for material detection to make accurate control of feeding time & material thickness and ensure weighing accuracy.
3. V feeder pan especially designed for small target weight to ensure even feeding and weighing accuracy.
4. Integral machine frame with middle standing enhances the strength of the machine, making the time for stabilizing hoppers much shorter.
5. Arc-shaped machine body with large R treatment improves the stability and appearance.
6. New double parallel linear vibrator contributes to smaller vibration, side-driven actuator makes the reading more accurate and the weighing accuracy higher.
| Model | JW-A10 | JW-A14 |
| Identify Code | AS10-1-1 | AS14-1-1 |
| Weighing Range | 2-200g | 2-200g |
| Accuracy | X(0.5) | X(0.5) |
| Max Speed | 60P/M | 120P/M |
| Hopper Volume | 0.5L | |
| Control Panel | 7”Touch Screen | |
| Options | Dimple Plate/Timing Hopper/Printer/Reject Device | |
| Driving System | Step Motor | |
| Power Requirement | 220V/900W/50/60Hz/8A | 220V/1100W/50/60Hz/10A |
| Packing Dimension(mm) | 1190(L)x970(W)x950(H) | 1190(L)x970(W)x950(H) |
| Gross Weight | 220kg | 240kg |



