

La peseuse associative à salade 1ère série G II convient non seulement pour peser un poids cible important et un quantitatif de grande capacité comme la salade, la pomme de terre, l'oignon, la tomate, etc., mais également des granulés de petit poids tels que les comprimés de médecine chinoise, le thé, les grains de café, le chocolat haricots, raisins de Corinthe et autres aliments, matériel, particules de plastique.

1. Cellule de charge spéciale de haute précision et de haute qualité.
2. La fonction de récupération du programme peut réduire les échecs de fonctionnement et prendre en charge l'étalonnage du poids multi-segments.
3. L'amplitude linéaire peut être ajustée indépendamment.
4. De nombreuses langues disponibles pour les marchés mondiaux.
5. La capacité de 100 programmes peut répondre à diverses exigences de pesage et un menu d'aide convivial contribue à une utilisation facile.
1. Nouvelle conception de la machine - série, aspect élégant.
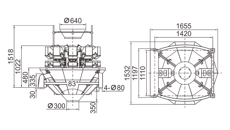
2. Conception mobile facile pour l'entonnoir d'alimentation et l'entonnoir de décharge, ce qui est plus pratique pour le nettoyer.
3. Le cône supérieur rotatif réglable de vitesse convient à différentes alimentations de produit.
4. Le vibrateur linéaire amélioré améliore la fluidité du matériau.
5. Le plateau vibrant linéaire spécial incliné, assure une alimentation en douceur.
6. La goulotte d'éjection à alvéoles à 60 ° contribue à réduire les problèmes de collage.
| Nom | Peseuse associative à salade 1st G 10Heads II Series | Peseuse associative à salade 1st G 14Heads II Series |
| Modèle | JW-AM10 | JW-AM14 |
| Identifier le code | AM10-1-19 | AM14-1-19 |
| Gamme de pesage | 100 à 3000 g | 100 à 3000 g |
| Précision | X (1) | X (1) |
| Vitesse maximale | 50P / M | 80P / M |
| Volume de la trémie | 5 L | |
| Panneau de configuration | Écran tactile de 7 pouces | |
| Options | Trémie de chronométrage / imprimante / dispositif de rejet | |
| Système de conduite | Moteur pas à pas | |
| Puissance requise | 220V / 1500W / 50 / 60Hz / 10A | 220V / 1500W / 50 / 60Hz / 12A |
| Dimension d'emballage (mm) | 2270 (L) x1480 (L) x1500 (H) | 2200 (L) x1500 (L) x1500 (H) |
| Poids brut | 680 kg | 850 kg |



