

La peseuse à salade convient pour peser des produits de grand volume tels que pommes de terre, tomates, oignons, fruits, légumes et salades avec un poids cible important.

1. cellule de charge spéciale avec une haute précision et un niveau élevé.
La fonction de récupération du programme peut réduire les échecs de fonctionnement, prendre en charge l'étalonnage du poids multi-segments.
La fonction de pause automatique 3.Aucun produit ne peut améliorer la stabilité et la précision du pesage.
L'amplitude 4.Linear peut être ajustée indépendamment, peut rendre l'alimentation plus uniforme.
5.15 langues disponibles pour les marchés mondiaux.
La capacité de 6.100 programmes peut répondre à diverses exigences de pesage, un menu d'aide convivial sur l'écran tactile contribue à une utilisation facile.
1. Le cône supérieur rotatif réglable de vitesse convient à différentes alimentations de produit.
2. Le vibrateur linéaire amélioré améliore la fluidité du matériau.
3. Le plateau vibrateur linéaire spécial déclinaison, assure une alimentation en douceur.
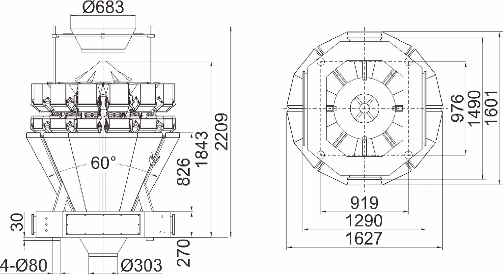
4. La goulotte d'éjection à alvéoles à 60 ° contribue à réduire les problèmes de collage.
5. L'ensemble du boîtier de la machine d'épaississement en aluminium moulé a amélioré la résistance de la machine et réduit le temps de stabilité de l'échantillon.
6. Détection de matériau de type de pesage en option, contrôle précis du temps d'alimentation, épaisseur du matériau, pour assurer l'exactitude du pesage.
| Modèle | JW-AM10 | JW-AM14 |
| Identifier le code | AM10-1-11 | AM14-1-11 |
| Gamme de pesage | 100 à 3000 g | 100 à 3000 g |
| Précision | X (1) | X (1) |
| Vitesse maximale | 50P / M | 80P / M |
| Volume de la trémie | 5 L | |
| Panneau de configuration | Écran tactile de 7 pouces | |
| Options | Trémie de chronométrage / imprimante / dispositif de rejet | |
| Système de conduite | Moteur pas à pas | |
| Puissance requise | 220V / 1500W / 50 / 60Hz / 10A | 220V / 1500W / 50 / 60Hz / 12A |
| Dimension d'emballage (mm) | 1910 (L) x 1290 (L) x 1810 (H) | 2195 (L) x1380 (L) x2060 (H) |
| Poids brut | 700 kg | 850 kg |



