

Он подходит для взвешивания небольших гранул, таких как семена, чай, кофейные зерна и т. Д.

1. Используйте специально разработанный тензодатчик высокой точности и высокого разрешения.
2. Функция восстановления программы может уменьшить сбои в работе и поддерживать многосегментную калибровку веса.
3. Отсутствие функции автоматической паузы продуктов может улучшить стабильность и точность взвешивания.
4. Линейную амплитуду можно регулировать независимо во время бега.
5. Доступно множество языков для мировых рынков.
6. Емкость 100 программ может удовлетворить различные требования к взвешиванию, а удобное меню помощи упрощает работу.
1. Бункер 0,5 л, конструкция со сверхнизкой вибрацией для обеспечения более стабильной работы и более высокой точности взвешивания.
2. Используйте тип взвешивания для обнаружения материала, чтобы точно контролировать время подачи и толщину материала, а также гарантировать точность взвешивания.
3. V-образный лоток подачи, специально разработанный для небольшого целевого веса, чтобы обеспечить равномерную подачу и точность взвешивания.
4. Встроенная рама машины со средним расположением увеличивает прочность машины, сокращая время на стабилизацию бункеров.
5. Дугообразный корпус машины с большой обработкой R улучшает стабильность и внешний вид.
6. Новый двойной параллельный линейный вибратор снижает вибрацию, привод с боковым приводом делает считывание точнее, а точность взвешивания - выше.
| Модель | JW-A10 | JW-A14 |
| Определить код | AS10-1-1 | AS14-1-1 |
| Диапазон взвешивания | 2-200g | 2-200g |
| точность | Х (0,5) | Х (0,5) |
| Максимальная скорость | 60P / М | 120P / М |
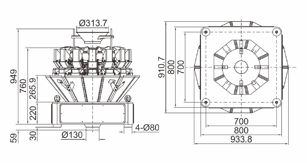
| Объем бункера | 0.5L | |
| Панель управления | 7-дюймовый сенсорный экран | |
| Параметры | Пластина с углублениями / бункер для синхронизации / принтер / устройство для отбраковки | |
| Система вождения | Шаговый двигатель | |
| Требуемая мощность | 220V / 900W / 50/60 Гц / 8A | 220V / 1100W / 50/60 Гц / 10A |
| Размер упаковки (мм) | 1190 (L) X970 (W) x950 (H) | 1190 (L) X970 (W) x950 (H) |
| Общий вес | 220 кг | 240kg |



