

Мультиголовочные дозаторы для салатов серии 1st G II подходят не только для взвешивания крупногабаритных и количественных весов, таких как салат, картофель, лук, помидоры и т. Д., Но также и для небольших гранул, таких как таблетки китайской медицины, чай, кофейные зерна, шоколад. фасоль, смородина и другие продукты питания, скобяные изделия, пластиковые частицы.

1. Специальный датчик нагрузки с высокой точностью и высоким стандартом.
2. Функция восстановления программы может уменьшить сбои в работе и поддерживать многосегментную калибровку веса.
3. Линейную амплитуду можно регулировать независимо.
4. Многие языки доступны для глобальных рынков.
5. Емкость 100 программ может удовлетворить различные требования к взвешиванию, а удобное меню помощи способствует простоте эксплуатации.
1. Новый дизайн машины - серия, элегантный внешний вид.
2. Легкая подвижная конструкция для загрузочной и разгрузочной воронок, что делает ее более удобной для очистки.
3. Регулируемый верхний роторный конус подходит для подачи различных продуктов.
4. Усовершенствованный линейный вибратор улучшает сыпучесть материала.
5. Наклонный специальный линейный поддон с вибратором обеспечивает плавную подачу.
6. Вытяжной желоб с углублением под углом 60 ° способствует уменьшению липкости.
| название | 1-й мультиголовочный дозатор для салатов серии G 10Heads II | 1-й мультиголовочный дозатор для салатов серии G 14Heads II |
| Модель | JW-AM10 | JW-AM14 |
| Определить код | AM10-1-19 | AM14-1-19 |
| Диапазон взвешивания | 100-3000g | 100-3000g |
| точность | Х (1) | Х (1) |
| Максимальная скорость | 50P / М | 80P / М |
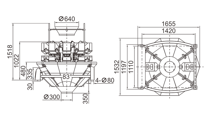
| Объем бункера | 5л | |
| Панель управления | 7-дюймовый сенсорный экран | |
| Параметры | Загрузочный бункер / принтер / отклоняющее устройство | |
| Система вождения | Шаговый двигатель | |
| Требования к мощности | 220V / 1500W / 50/60 Гц / 10A | 220V / 1500W / 50/60 Гц / 12A |
| Размер упаковки (мм) | 2270 (L) x1480 (Ш) X1500 (Н) | 2200 (L) X1500 (W) X1500 (Н) |
| Общий вес | 680 кг | 850 кг |



