

La báscula multicabezal para ensaladas de la serie 1st G II no solo es adecuada para pesar un peso objetivo grande y un peso cuantitativo de gran capacidad como ensalada, papa, cebolla, tomate, etc., sino también gránulos de peso pequeño como tabletas de medicina china, té, granos de café, chocolate frijoles, grosellas y otros alimentos lesuire, ferretería, partículas de plástico.

1. Célula de carga especial con alta precisión y alto nivel.
2. La función de recuperación del programa puede reducir las fallas de operación y soportar la calibración de peso de múltiples segmentos.
3. La amplitud lineal se puede ajustar de forma independiente.
4. Muchos idiomas disponibles para mercados globales.
5. La capacidad de 100 programas puede cumplir con varios requisitos de pesaje y el menú de ayuda fácil de usar contribuye a una operación sencilla.
1. Nuevo diseño de máquina —serie, aspecto elegante.
2. Diseño fácil de mover para el embudo de alimentación y el embudo de descarga, que es más conveniente para limpiarlo.
3. El cono superior giratorio de velocidad ajustable es adecuado para la alimentación de diferentes productos.
4. El vibrador lineal mejorado mejora la fluidez del material.
5. La bandeja vibradora lineal especial inclinada, asegura una alimentación suave.
6. El conducto de descarga con hoyuelos de 60 ° contribuye a reducir los problemas de adherencia.
| Nombre | Primera báscula multicabezal para ensaladas serie G 10Heads II | Primera báscula multicabezal para ensaladas serie G 14Heads II |
| Modelo | JW-AM10 | JW-AM14 |
| Código de identificación | AM10-1-19 | AM14-1-19 |
| Rango de pesaje | 100-3000g | 100-3000g |
| Exactitud | X (1) | X (1) |
| Máxima velocidad | 50P / M | 80P / M |
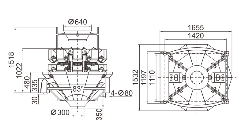
| Volumen de la tolva | 5L | |
| Panel de control | Pantalla táctil de 7 " | |
| Opciones | Tolva de sincronización / Impresora / Dispositivo de rechazo | |
| Sistema de conducción | Motor paso a paso | |
| Requisitos de energía | 220V / 1500W / 50 / 60Hz / 10A | 220V / 1500W / 50 / 60Hz / 12A |
| Dimensión de embalaje (mm) | 2270 (largo) x1480 (ancho) x1500 (alto) | 2200 (largo) x1500 (ancho) x1500 (alto) |
| Peso bruto | 680 kg | 850 kg |



