
适合板蓝根、麦片包、饼干袋、豆奶粉、咖啡袋、果冻、糖果等小袋装物料的数袋包装,以及五金塑胶件的数个包装。

1. 采用高精度的特制传感器。
2. 出厂参数设置恢复功能,支持多段重量标定。
3. 缺料时可自动暂停,使称量更加稳定。
4. 运行中各线振幅可独立调节,使加料更加均匀。
5. 多种语言可供选用,操作方便,适用于全球市场。
6. 存贮100套参数设置,实现多种物料需求,帮助菜单,方便学习使用。
1. 独有的数袋/数个专用程序,采用无隔道斜槽,避免物料堵塞。
2. 采用称量式物料检测开关,可避免堆积物料停在主振中心。
3. 内置称量与数袋/数个两种模式可供使用,满足您更多方面的需求。
4. 称重式物料检测,准确控制加料时间,物料厚度,保证称重精度。
5. 统一的设计标准,采用模具制作工艺,使各个零部件的互换性更强。
6. 特制双峰式带扫除棒的旋转主振盘,通过正反旋转分配到各线振盘。
型号 | JW-A12 | JW-A14 |
识别代号 | A12-1-2 | A14-1-2 |
称重范围 | 10-30PCS | 10-30PCS |
称重精度范围 | X(0.5) | X(0.5) |
最大称重速度 | 30P/M | 40P/M |
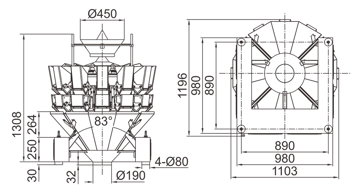
料斗容量 | 2.5L | |
操作界面 | 7寸触摸屏 | |
选购装置 | 花纹秤斗/集料斗/数据打印装置/超重选别装置 | |
驱动方式 | 步进电机 | |
电源要求 | 220V/1000W/50/60Hz/10A | 220V/1500W/50/60Hz/10A |
包装尺寸(mm) | 1700(L)x1100(W)x1130(H) | 1700(L)x1100(W)x1265(H) |
包装重量 | 470kg | 490kg |


