
适合多种冷冻类物料,如水饺,汤圆、虾仁、鱼块、水果片、虾、鱿鱼圈、海鲜等物料的定量称重。

1. 采用高精度、高标准的特制传感器。
2. 出厂参数设置恢复功能,支持多段重量标定。
3. 缺料时可自动暂停,使称量更加稳定。
4. 运行中各线振幅可独立调节,使加料更加均匀。
5. 多种语言可供选用,操作方便,适用于全球市场。
6. 存贮100套参数设置,实现多种物料需求,帮助菜单,方便学习使用。
1. 采用IP65防水机箱,接触物料部件采用花纹板材料。
2. 配备干燥除水装置,有效预防潮湿环境致电气部件损坏。
3. 统一的设计标准,采用模具制作工艺,使各个零部件的互换性更强。
4. 铸铝加厚整体中座增强了机器和强度,称量的稳定时间更短。
5. 可选称重式物料检测,准确控制加料时间,物料厚度,保证称重精度。
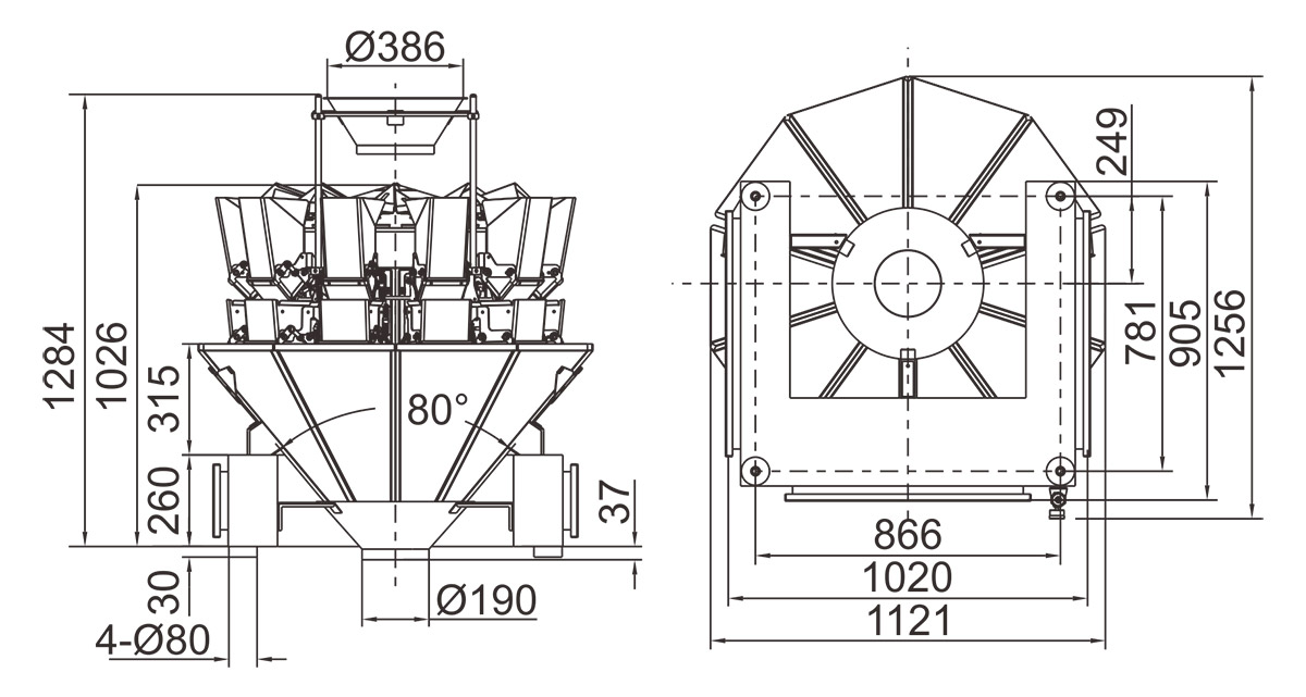
型号 | JW-A10 | JW-A14 | |
识别代号 | A10-1-7 | A14-1-7 | |
称重范围 | 10-1000g | 10-1500g | |
称重精度范围 | X(0.5) | X(0.5) | |
最大称重速度 | 65P/M | 120P/M | |
料斗容量 | 1.6L/2.5L | ||
操作界面 | 7寸触摸屏 | ||
选购装置 | 花纹秤斗/集料斗/数据打印装置/超重选别装置 | ||
驱动方式 | 步进电机 | ||
电源要求 | 220V/1000W/50/60Hz/10A | 220V/1500W/50/60Hz/12A | |
包装尺寸(mm) | 1620(L)x1100(W)x1110(H) | 1750(L)x1130(W)x1200(H) | |
包装重量 | 380kg | 490kg | |



