
适合蔬菜沙拉、水果沙拉、土豆、洋葱、西红柿、圣女果等蔬菜或水果等大目标重量或大容量物料的定量称重。

1. 采用高精度的特制传感器。
2. 出厂参数设置恢复功能,支持多段重量标定。
3. 缺料时可自动暂停,使称量更加稳定。
4. 运行中各线振幅可独立调节,使加料更加均匀。
5. 多种语言可供选用,操作方便,适用于全球市场。
6. 存贮100套参数设置,实现多种物料需求,帮助菜单,方便学习使用。
1. 可调整转速主振机增加了物料的通用性。
2. 加大振幅线振机增强了物料的流动性。
3. 下倾式专用线振盘保证加料顺畅。
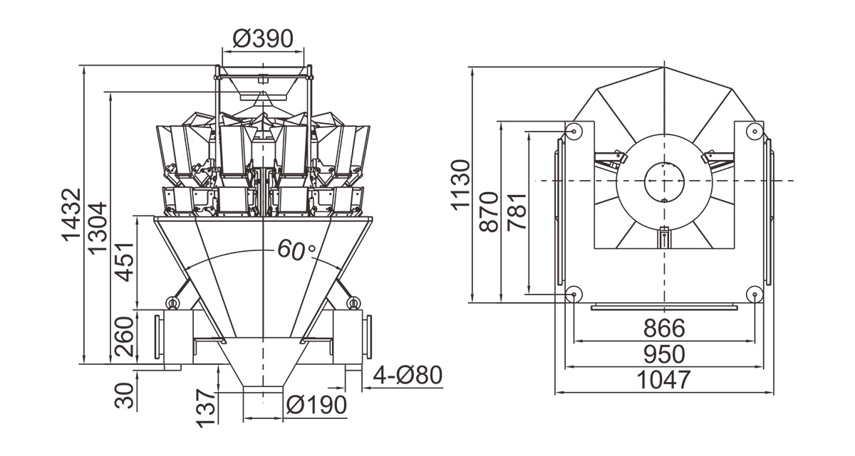
4. 60°夹角小花纹斜槽有利于物料的下落、有效控制粘料现象。
5. 铸铝加厚整体中座增强了机器的强度,使得称量的稳定时间更短。
6. 可选称重式物料检测,准确控制加料时间,物料厚度,保证称重精度。
型号 | JW-AM10 | JW-AM14 | |
识别代号 | AM10-1-11 | AM14-1-11 | |
称重范围 | 100-3000g | 100-3000g | |
称重精度范围 | X(1) | X(1) | |
最大称重速度 | 50P/M | 80P/M | |
料斗容量 | 5L | ||
操作界面 | 7寸触摸屏 | ||
选购装置 | 集料斗/数据打印装置/超重选别装置 | ||
驱动方式 | 步进电机 | ||
电源要求 | 220V/1500W/50/60Hz/10A | 220V/1500W/50/60Hz/12A | |
包装尺寸(mm) | 1910(L)x1290(W)x1810(H) | 2195(L)x1380(W)x2060(H) | |
包装重量 | 700kg | 850kg | |



