四代24头三层组合秤

一、组合秤适用范围:

适用于多种果仁、葡萄干、糖果、薯片、虾条等休闲食品,速食品、膨化食品;五金件、塑料件等小颗粒状、小片状、圆形及不规则小物料的定量称重。

a.jpg

二、功能特点:

1. 采用高精度的特制传感器。

2. 智能化的故障报警提示,维护更方便。

3. 高速异步放料功能,有效防止物料阻塞。

4. 混料模式时会进行自动补偿。

5. 模块化电路板,实现了智能化的多次采样稳定模式,称量更精准。

三、机械特性:

1. 通用型料斗称重单元,增强了整机的零件互换性。

2. 具有记忆斗,实现称重物料的暂存,增加组合概率,有效提升组合精度。

3. 采用分隔主振盘,单机可用于2种以上(最多可实现6种)混合物料配方应用。

4. 采用独立主振机,分别控制不同物料的加料厚度。

5. 口字型机箱和中座一体化焊接极大的增强了机器的强度,使得料斗的稳定时间更短。

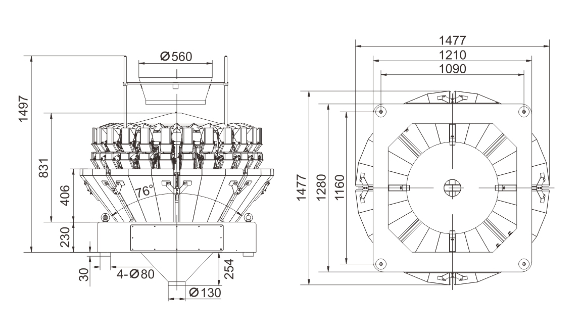
四、技术参数:

型号

JW-A24

识别代号

A24-4-1

称重范围

12-1000g

称重精度范围

X(0.5)

最大称重速度

60x6P/M

料斗容量

0.5L

操作界面

10.1寸触摸屏

选购装置

花纹秤斗/集料斗/数据打印装置/超重选别装置

驱动方式

步进电机

电源要求

110/220V/2800W/50/60Hz/13A

包装尺寸(mm)

2100(L)x1480(W)x1130(H)

包装重量

650kg


五、产品细节