

إنها مناسبة لوزن الحبيبات ذات الوزن الصغير مثل البذور والشاي وحبوب القهوة إلخ.

1. استخدام خلية تحميل عالية الدقة وعالية الدقة مصممة خصيصًا.
2. يمكن أن تقلل وظيفة استعادة البرنامج من فشل التشغيل وتدعم معايرة الوزن متعددة القطع.
3. لا يمكن لوظيفة الإيقاف التلقائي للمنتجات أن تحسن ثبات الوزن ودقته.
4. يمكن تعديل السعة الخطية بشكل مستقل في الجري.
5. العديد من اللغات المتاحة للأسواق العالمية.
6. سعة 100 برنامج يمكن أن تلبي متطلبات الوزن المتنوعة وقائمة المساعدة سهلة الاستخدام تساهم في التشغيل السهل.
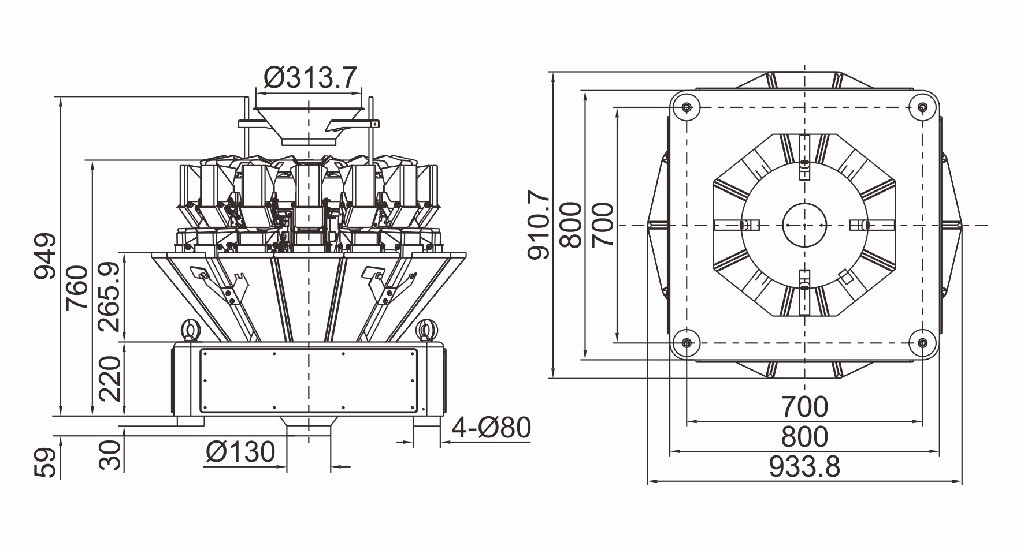
1. قادوس 0.5 لتر ، تصميم اهتزازي منخفض للغاية لضمان تشغيل أكثر استقرارًا ودقة وزن أعلى.
2. استخدم نوع الوزن لاكتشاف المواد من أجل التحكم الدقيق في وقت التغذية وسمك المواد وضمان دقة الوزن.
3. تم تصميم وعاء التغذية على شكل V خصيصًا للوزن المستهدف الصغير لضمان دقة التغذية والوزن.
4. إن إطار الآلة المتكامل مع الوضع الأوسط يعزز قوة الآلة ، مما يجعل وقت تثبيت القواديس أقصر بكثير.
5. جسم الآلة على شكل قوس مع معالجة R كبيرة يحسن الثبات والمظهر.
6. هزاز خطي متوازي مزدوج جديد يساهم في اهتزاز أصغر ، مشغل مدفوع من الجانب يجعل القراءة أكثر دقة ودقة الوزن أعلى.
| نموذج | JW-A10 | JW-A14 |
| تعريف الكود | AS10-1-1 | AS14-1-1 |
| نطاق الوزن | 2-200 جرام | 2-200 جرام |
| صحة | اكس (0.5) | اكس (0.5) |
| السرعة القصوى | 60P / م | 120P / م |
| حجم القادوس | 0.5 لتر | |
| لوحة التحكم | شاشة تعمل باللمس مقاس 7 بوصات | |
| خيارات | لوحة الدمل / قادوس التوقيت / الطابعة / جهاز الرفض | |
| نظام القيادة | محرك خطوة | |
| متطلبات الطاقة | 220 فولت / 900 واط / 50/60 هرتز / 8 أمبير | 220 فولت / 1100 واط / 50/60 هرتز / 10 أمبير |
| أبعاد التعبئة (مم) | 1190 (طول) × 970 (عرض) × 950 (ارتفاع) | 1190 (طول) × 970 (عرض) × 950 (ارتفاع) |
| الوزن الإجمالي | 220 كجم | 240 كجم |



