

ميزان الأجهزة متعدد الرؤوس مناسب لوزن الأجهزة الصغيرة والأجزاء البلاستيكية ، الطول أقل من 80 مم ، وزن القطعة الواحدة أقل من 100 جرام.

1. خلية تحميل خاصة بدقة عالية ومعايير عالية.
2. وظيفة استعادة البرنامج يمكن أن تقلل من فشل العملية ، ودعم معايرة الوزن متعددة القطاعات.
3. لا يمكن لوظيفة الإيقاف التلقائي للمنتجات أن تحسن ثبات الوزن ودقته.
4. يمكن تعديل السعة الخطية بشكل مستقل ، ويمكن أن تجعل التغذية أكثر اتساقًا.
5. 15 لغة متاحة للأسواق العالمية.
6. سعة 100 برنامج يمكن أن تلبي متطلبات الوزن المختلفة ، قائمة المساعدة سهلة الاستخدام في شاشة اللمس تساهم في التشغيل السهل.
1. خلية تحميل خاصة للأجهزة ، لديها مقاومة تأثير قوية.
2. تمت إضافة مواد ملامسة للأجزاء PVC المضادة للضوضاء.
3. هزاز خطي محسن.
4. عززت حالة آلة سماكة الألمنيوم المصبوب بالكامل من قوة الآلة ، وتقصير وقت العينة المستقر.
5. استخدام دلاء أسمك وأقوى.
| نموذج | JW-A10 | JW-A14 |
| تعريف الكود | أ10-1-15 | أ14-1-15 |
| نطاق الوزن | 10-2000 جرام | 10-3000 جرام |
| صحة | اكس (0.5) | اكس (0.5) |
| السرعة القصوى | 65P / م | 120P / م |
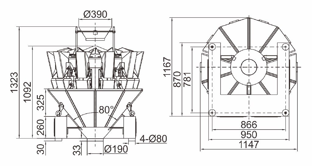
| حجم القادوس | 1.6 لتر | |
| لوحة التحكم | شاشة تعمل باللمس مقاس 7 بوصات | |
| خيارات | قادوس التوقيت / الطابعة / جهاز الرفض | |
| نظام القيادة | محرك خطوة | |
| متطلبات الطاقة | 220 فولت / 1000 واط / 50 هرتز / 60 هرتز / 10 أمبير | 220 فولت / 1000 واط / 50 هرتز / 60 هرتز / 10 أمبير |
| أبعاد التعبئة (مم) | 1620 (طول) × 1100 (عرض) × 1420 (ارتفاع) | 1700 (طول) x1130 (عرض) x1280 (ارتفاع) |
| الوزن الإجمالي | 380 كجم | 480 كجم |



