

ميزان 4th G ثلاث طبقات 24 رأسًا مناسبًا لوزن البذور ، والفول السوداني ، والمكسرات ، واللوز ، والزبيب ، والحلوى ، والفستق ، ورقائق البطاطس ، والزلابية وغيرها من الحبيبات ، والورق ، والشرائط ، ومواد الشكل المستديرة.

1. خلية تحميل خاصة بدقة عالية ومعايير عالية.
2. إنذار خطأ ذكي ، الراحة للصيانة.
3. وظيفة تفريغ متداخلة عالية السرعة ، تمنع بشكل فعال المواد المسدودة.
4. التعويض التلقائي في وضع وزن الخلط.
5. لوحة كهربائية للوحدة النمطية ، مع الوضع المستقر الذكي لأخذ العينات المتعددة ، تجعل الوزن أعلى دقة.
1. وحدة وزن القادوس العام تعزز قابلية التبادل لأجزاء الآلة بأكملها.
2. لها حاوية ذاكرة لتحقيق التخزين المؤقت لمواد الوزن ، وزيادة احتمالية الدمج ، وتحسين دقة التجميع بشكل فعال.
3. فصل لوحة الاهتزاز الرئيسية ، يمكن استخدام الآلة المفردة لأكثر من نوعين (بحد أقصى 6 أنواع) من تطبيقات صيغة المواد المختلطة.
4. يتم استخدام آلة الاهتزاز الرئيسية المستقلة للتحكم في سماكة التغذية للمواد المختلفة.
5. إن اللحام المتكامل للهيكل والمقعد الأوسط يعزز بشكل كبير من قوة الآلة ، مما يجعل وقت النطاط المستقر أقصر.
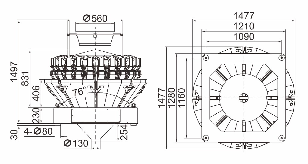
| نموذج | JW-A24 |
| تعريف الكود | A24-4-1 |
| نطاق الوزن | 12-1000 جرام |
| صحة | اكس (0.5) |
| السرعة القصوى | 60x6P / م |
| حجم القادوس | 0.5 لتر |
| لوحة التحكم | شاشة تعمل باللمس مقاس 10.1 بوصة |
| خيارات | لوحة الدمل / قادوس التوقيت / الطابعة / جهاز الرفض |
| نظام القيادة | محرك خطوة |
| متطلبات الطاقة | 110/220 فولت / 2800 واط / 50/60 هرتز / 13 أمبير |
| أبعاد التعبئة (مم) | 2100 (طول) × 1480 (عرض) × 1130 (ارتفاع) |
| الوزن الإجمالي | 650 كجم |



