

Standard multihead weigher is suitable for weighing leisure foods such as candy, seeds, jelly, pet foods, puffy foods, pistachio, peanuts, nuts,raisins etc. and big shell nuts, hardwares, dried fruits, frozen foods, snack foods, meatballs and so on.

1. Special load cell with high precision and high standard.
2. Program recovery function can reduce operation failures and support multi-segment weight calibration
3. No products auto pause function can improve weighing stability and accuracy
4. Linear amplitude can be adjusted independently in the running
5. Many languages available for global markets.
6. 100 programs capacity can meet various weighing requirements and user-friendly help menu contributes to easy operation
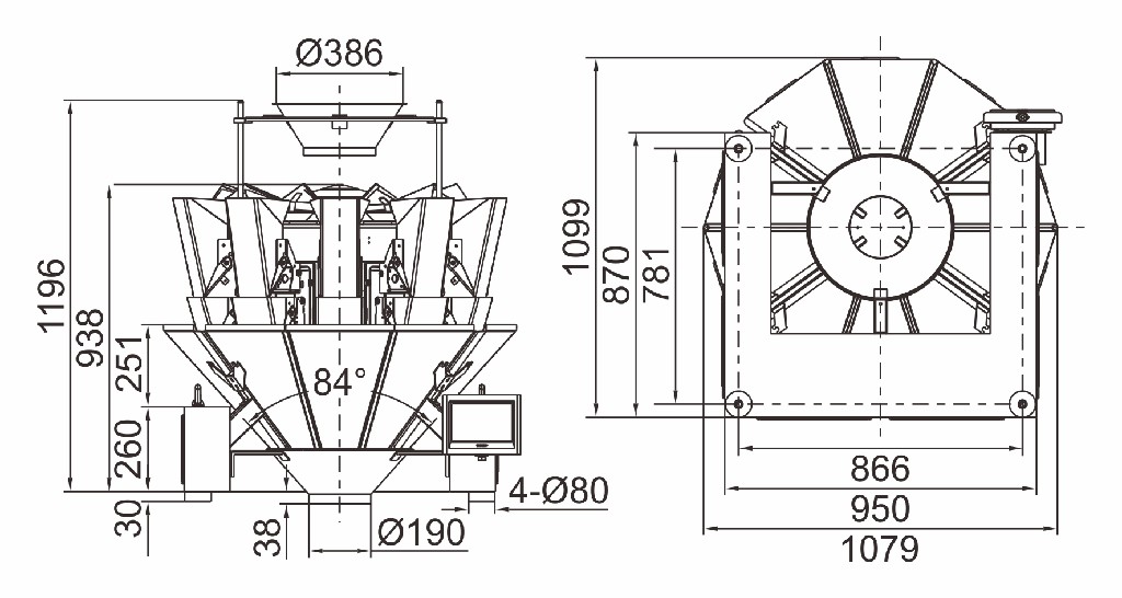
1.1.6L/2.5L hopper, suitable for all kinds of common standard materials, can be used widely
2.Mold making process and uniform design standards contribute to better interchangeability for spare parts
3.Aluminum thickened middle standing enhances the strength of the machine, making the time for stabilizing hoppers much shorter
4.Weighing type for material detection is available, which can make accurate control of feeding time & material thickness and ensure weighing accuracy
5.Can choose patented no-spring hopper ,cost-effective.
| Model | JW-A10 | JW-A12 | JW-A14 | JW-AM10 | JW-AM14 | JW-A10 | JW-A14 |
| Identify Code | A10-1-1 | A12-1-1 | A14-1-1 | AM10-1-1 | AM14-1-1 | A10-1-3 | A14-1-3 |
| Weighing Range | 10-1000g | 10-1500g | 10-1500g | 100-3000g | 100-3000g | 10-1000g | 10-1500g |
| Accuracy | X(0.5) | X(0.5) | X(0.5) | X(1) | X(1) | X(0.5) | X(0.5) |
| Max Speed | 65P/M | 100P/M | 120P/M | 50P/M | 80P/M | 60P/M | 100P/M |
| Hopper Volume | 1.6/2.5L | 5L | 1.6L(No-spring) | ||||
| Control Panel | 7''Touch Screen | ||||||
| Options | Dimple Plate/Timing Hopper/Printer/Reject Device | ||||||
| Driving System | Step Motor | ||||||
| Power Requirement | 220V / 1000W / 50/60Hz / 10A | 220V / 1200W / 50/60Hz / 10A | 220V / 1500W / 50 / 60Hz / 10A | 220V / 1500W / 50/60HZ/10A | 220V / 1500W / 50/60HZ /12A | 220V / 1000W /50/60Hz / 10A | 220V / 1500W / 50/60Hz / 12A |
| Packing Dimension(mm) | 1620(L)x1100(W)x1110(H) | 1700(L)x1100(W)x1130(H) | 1700(L) x1100(W)x1265(H) | 1950(L) X1280(W)X1690(H) | 2195(L) X1380(W)X1810(H) | 1620(L) x1100(W)x1110(H) | 1700(L) x1100(W)x1265(H) |
| Gross Weight | 380kg | 430kg | 490kg | 600kg | 750kg | 380kg | 490kg |



