

Il convient pour peser de petits granulés tels que le sucre, le sel, les graines, le riz, le sésame, le monosodique, le café, l'assaisonnement en poudre, etc.

1. Nouveau système de contrôle modulaire hautement intégré.
2. Fonction de réglage automatique de l'amplitude, plus pratique à déboguer.
3. Peut peser une variété de matériaux différents en même temps pour réaliser un emballage de matériaux mixtes.
4. Selon la situation de production, les paramètres peuvent être directement modifiés en fonctionnement, ce qui est facile à utiliser.
5. Adopte le système d'alimentation de la machine à vibration continue, de sorte que le matériau soit plus uniforme et que la plage de pesée soit plus grande.
1. La machine est faite d'acier inoxydable, propre et sanitaire.
2. L'extrémité de décharge du bac de vibration est équipée d'une porte pneumatique, qui peut réaliser une alimentation précise avec un petit débit et améliorer efficacement la précision de pesage.
3. Les pièces en contact avec les matériaux (bouchon, entonnoir de décharge, plateau vibrant, trémie de pesée, etc.) peuvent être démontées rapidement et nettoyées de manière pratique.
| Modèle | JW-AX3 |
| Identifier le code | AX3-2-1 |
| Gamme de pesage | 50 à 4000 g |
| Précision | X (1) |
| Vitesse maximale | 30P / M |
| Volume de la trémie | 6 L |
| Paramètres Appuyez sur No. | 100 |
| Max produits mélangés | 3 |
| Panneau de configuration | Écran tactile de 7 pouces |
| Options | Plaque à fossettes / trémie de synchronisation / imprimante / dispositif de rejet |
| Puissance requise | 220V / 500W / 50 / 60HZ / 3A |
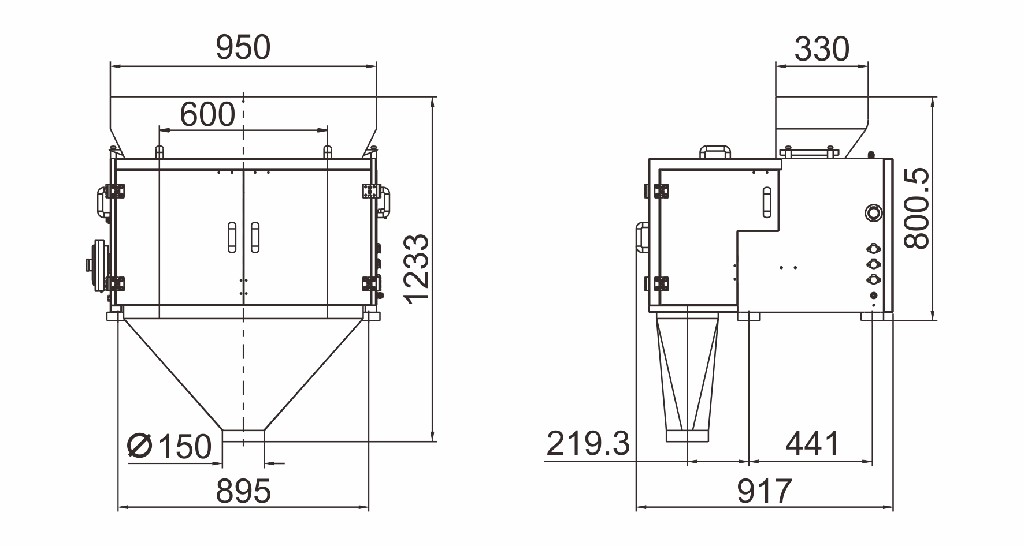
| Dimension d'emballage (mm) | 1200 (L) X1050 (L) X1050 (H) |
| Poids brut | 180 kg |



