

La peseuse multi-têtes étanche convient au pesage de petits granulés tels que le riz, le sucre, le thé fin, la poudre détergente, etc.

1. cellule de charge spéciale avec une haute précision et un niveau élevé.
La fonction de récupération du programme peut réduire les échecs de fonctionnement et prendre en charge l'étalonnage du poids multi-segments.
La fonction de pause automatique 3.Aucun produit ne peut améliorer la stabilité de pesage.
L'amplitude 4.Linear peut être ajustée indépendamment.
5.Beaucoup de langues disponibles pour les marchés mondiaux.
La capacité de 6.100 programmes peut répondre à diverses exigences de pesage et un menu d'aide convivial contribue à une utilisation facile.
1.Le chargeur multi-bouche peut distribuer efficacement des produits dans chaque plateau d'alimentation linéaire.
Les plateaux d'alimentation linéaire en forme de U spécialement conçus peuvent éviter les problèmes de fuite.
3.Le processus de fabrication des moules et les normes de conception uniformes contribuent à une meilleure interchangeabilité des pièces de rechange.
4.La position moyenne épaissie en aluminium améliore la résistance de la machine, ce qui raccourcit beaucoup le temps de stabilisation des trémies.
5.Le type de pesage pour la détection de matériau est disponible, ce qui peut effectuer un contrôle précis du temps d'alimentation et de l'épaisseur du matériau et assurer la précision du pesage.
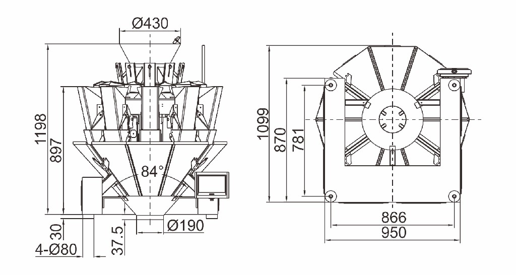
| Modèle | JW-A10 | JW-A14 |
| Identifier le code | A10-1-4 | A14-1-4 |
| Gamme de pesage | 20 à 1000g | 20 à 1500 g |
| Précision | X (0,5) | X (0,5) |
| Vitesse maximale | 65P / M | 120P / M |
| Volume de la trémie | 1,6 L / 2,5 L | |
| Panneau de configuration | Écran tactile 7 '' | |
| Options | Trémie de chronométrage / imprimante / dispositif de rejet | |
| Système de conduite | Moteur pas à pas | |
| Puissance requise | 220V / 1000V / 50 / 60Hz / 10A | 220V / 1500W / 50 / 60Hz / 12A |
| Dimension d'emballage (mm) | 1620 (L) x1100 (L) x1110 (H) | 1700 (L) x1100 (L) x1265 (H) |
| Poids brut | 380 kg | 490 kg |



