

La peseuse associative matérielle convient au pesage de petits matériels et de pièces en plastique, la longueur est inférieure à 80 mm, le poids d'une seule pièce est inférieur à 100 g.

1. Cellule de charge spéciale de haute précision et de haute qualité.
2. La fonction de récupération du programme peut réduire les échecs de fonctionnement, prend en charge l'étalonnage du poids multi-segments.
3. Aucune fonction de pause automatique des produits ne peut améliorer la stabilité et la précision du pesage.
4. L'amplitude linéaire peut être ajustée indépendamment, peut rendre l'alimentation plus uniforme.
5. 15 langues disponibles pour les marchés mondiaux.
6. La capacité de 100 programmes peut répondre à diverses exigences de pesage, un menu d'aide convivial sur l'écran tactile contribue à une utilisation facile.
1. Cellule de charge spéciale pour le matériel, a une forte résistance aux chocs.
2. Les pièces en contact avec le matériau ont ajouté du PVC anti-bruit.
3. Vibrateur linéaire amélioré.
4. Le boîtier entier de la machine d'épaississement en aluminium moulé a amélioré la résistance de la machine et raccourcit le temps de stabilité de l'échantillon.
5. Des seaux plus épais et plus solides doivent être utilisés.
| Modèle | JW-A10 | JW-A14 |
| Identifier le code | A10-1-15 | A14-1-15 |
| Gamme de pesage | 10 à 2000 g | 10 à 3000 g |
| Précision | X (0,5) | X (0,5) |
| Vitesse maximale | 65P / M | 120P / M |
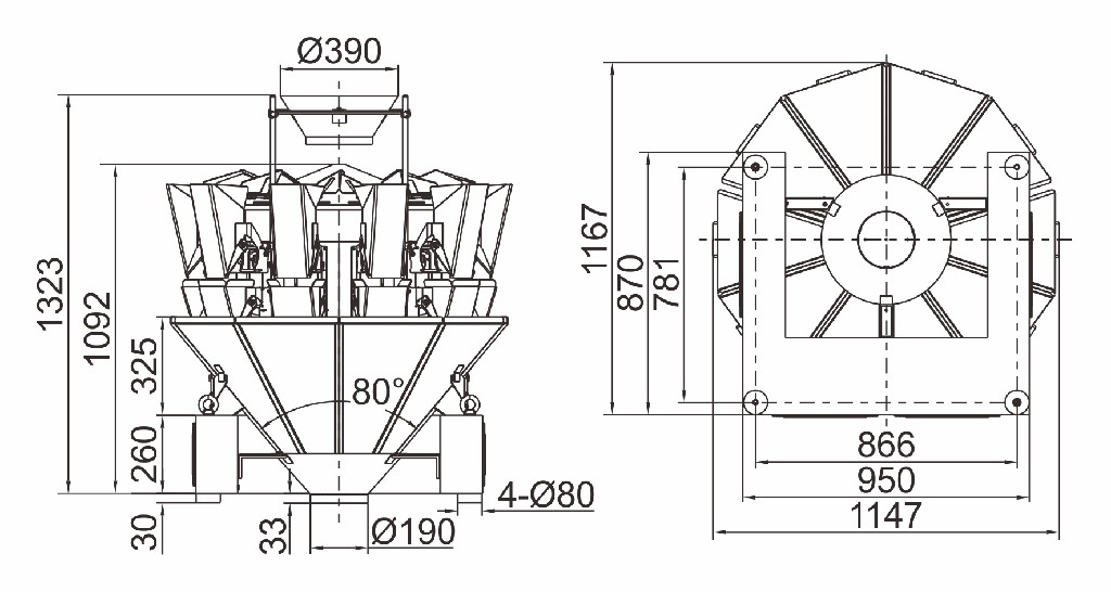
| Volume de la trémie | 1,6 L | |
| Panneau de configuration | Écran tactile de 7 pouces | |
| Options | Trémie de chronométrage / imprimante / dispositif de rejet | |
| Système de conduite | Moteur pas à pas | |
| Puissance requise | 220V / 1000W / 50Hz / 60Hz / 10A | 220V / 1000W / 50Hz / 60Hz / 10A |
| Dimension d'emballage (mm) | 1620 (L) x1100 (L) x1420 (H) | 1700 (L) x1130 (L) x1280 (H) |
| Poids brut | 380 kg | 480 kg |



