

Il convient aux produits d'emballage en papier d'aluminium: sacs de café, arachides, produits carnés séchés, bonbons, chocolat et autres tests de matériaux, utilisés dans les aliments, la médecine, les cosmétiques, les produits de sécurité, l'industrie chimique et autres détections de métaux. L'état de l'emballage du matériau peut être en vrac, en sac, en bouteille, en boîte et d'autres formes. Ce modèle peut détecter les objets étrangers métalliques qui peuvent être magnétisés, tels que le fer, le cobalt, le nickel, l'acier inoxydable formé par plastique, l'acier au silicium, etc.

1. Équipé d'un écran couleur de 7 pouces, d'un menu d'aide au fonctionnement pré-installé, pratique pour la coordination et l'apprentissage d'échange homme-machine, fonction d'apprentissage intelligente d'échantillonnage en fonction des caractéristiques du matériau.
2. L'application de capteur haute sensibilité et la méthode de contrôle intégrée peuvent résoudre efficacement la capacité de détection des objets étrangers métalliques magnétiques dans les produits d'emballage en film d'aluminium et en feuille d'aluminium.
3. En utilisant un microprocesseur 32 bits, une analyse et un traitement de signal numérique supérieurs, améliorent la sensibilité du système, l'anti-interférence et la stabilité à long terme.
4. Les données peuvent être sauvegardées via USB.
5. Soutenir les mises à niveau logicielles pour faciliter la maintenance du système.
1. Plaque de chaîne en plastique personnalisée, réduire la source d'interférence, faire fonctionner la machine en douceur et assurer la sensibilité de détection, le rendre plus facile à démonter et à entretenir.
2. Cadre intégré en acier inoxydable, simple et beau, facile à nettoyer et à entretenir.
3. Conception de transport positive et négative, ligne de production d'emballages flexibles correspondant aux exigences.
4. Le capteur haute sensibilité intégré du détecteur peut protéger efficacement le signal du produit d'emballage en film d'aluminium et déterminer avec précision les corps étrangers métalliques magnétiques dans l'emballage.
5. Une variété de rejet sont disponibles.
| Modèle | JW-GL2415 |
| Identifier le code | GL2415-1-1 |
| Classe de protection | IP54 / IP66 |
| La vitesse | 15 à 35 m / min |
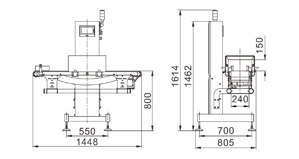
| Taille maximale de l'emballage (mm) | Largeur : 240 mm Hauteur réglable : 20-150 mm |
| Sensibilité (mm) | Fe: φ1,5 Sus: φ2,5 |
| Puissance requise | 220V / 180W / 50 / 60Hz / 0,8A |
| Dimension d'emballage (mm) | 1570 (L) x 880 (L) x 1490 (H) |
| Poids brut | 170 kg |



