

Параллельный манипулятор применим к продуктам питания, медицине, специям, пластмассам, изделиям ручной работы, электронике и различным типам материалов, сортировке и транспортировке других отраслей промышленности.

1. Это может быть стыкованный контрольный весовой дозатор, детектор металла, детектор рентгеновского излучения и другое оборудование для автоматизации производственной линии упаковки, высокая универсальность, широкий диапазон применения, высокая точность и высокая стабильность.
2. Он может реализовать быструю сортировку и дополнительную систему визуальных приложений, которая делает позиционирование более точным и легким для захвата.
3. Человеко-машинный интерфейс с сенсорным экраном, отладка многокоординатных форм, толчковое управление, настройка параметров и т. Д., Поддержка режима обучения, полное линейное, дуговое и пространственное движение по траектории.
4. Обучение и отладка с помощью обучающего устройства, простота обучения программированию, богатый набор инструкций, может удовлетворить широкий спектр требований приложений, пользователи могут выполнять вторичную разработку.
5. Поддержка встреч с несколькими станциями.
6. Функция защиты от автоматического отключения от перегрузки.
1. Независимая основная база с напылением, простой и красивый внешний вид, простая в установке и обслуживании.
2. Вращающийся основной рычаг изготовлен из углеродного волокна, которое легче по конструкции и более стабильно в работе.
3. 4-х осевая структура рычагов, которая может захватывать материал и вращаться в указанном направлении.
4. Используйте систему сервоуправления для обеспечения точности рабочего приложения.
5. Дополнительные визуальные или телескопические и полнопоточные соединенные приложения, поддержка индивидуальных приложений в секции конвейера, гибкая конфигурация.
6. Дополнительный материал внешней рамы корпуса в зависимости от условий эксплуатации, нержавеющая сталь / углеродистая сталь не являются обязательными.
| Модель | JW-D1100 |
| Определить код | D1100-1-1 |
| Тип структуры | ДЕЛЬТА (четыре оси параллельно) |
| Точность повтора | ± 0,1 мм |
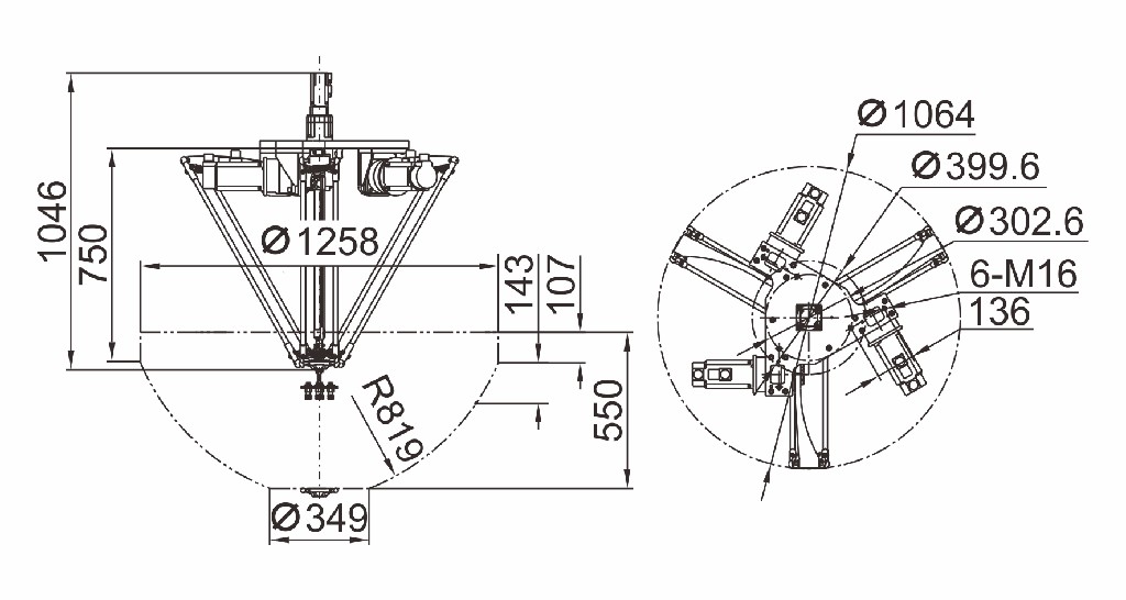
| Рабочий диапазон | φ1100 мм |
| Максимальная скорость | 150 P / M |
| Максимальная нагрузка | 3000 г |
| Требования к мощности | 220В / 4000Вт / 50 / 60Гц / 20А |
| Размер упаковки (мм) | 12000 (Д) x1100 (Ш) x610 (В) |
| Общий вес | 110 кг |



