

Трехслойный дозатор с 24 головками 4th G подходит для взвешивания семян, арахиса, орехов, миндаля, изюма, конфет, фисташек, картофельных чипсов, пельменей и других гранул, листов, полосок, материалов круглой формы.

1. Специальный датчик нагрузки с высокой точностью и высоким стандартом.
2. Интеллектуальная сигнализация неисправности, удобство обслуживания.
3. Высокая скорость разгрузки, эффективно предотвращает блокировку материалов.
4. Автоматическая компенсация в режиме смешивающего взвешивания.
5. Модульная электрическая плата и интеллектуальный стабильный режим множественного отбора проб делают взвешивание более точным.
1. Универсальный бункерный весовой модуль повышает взаимозаменяемость частей всей машины.
2. Он имеет емкость памяти для временного хранения взвешиваемых материалов, увеличения вероятности комбинирования и эффективного повышения точности комбинирования.
3. Отдельная основная виброплита, одна машина может использоваться более чем для 2-х видов (макс. До 6-ти видов) смешанных материалов.
4. Независимая основная вибрационная машина используется для контроля толщины подачи различных материалов.
5. Интегрированная сварка шасси и среднего сиденья значительно увеличивает прочность машины, сокращая время стабилизации бункера.
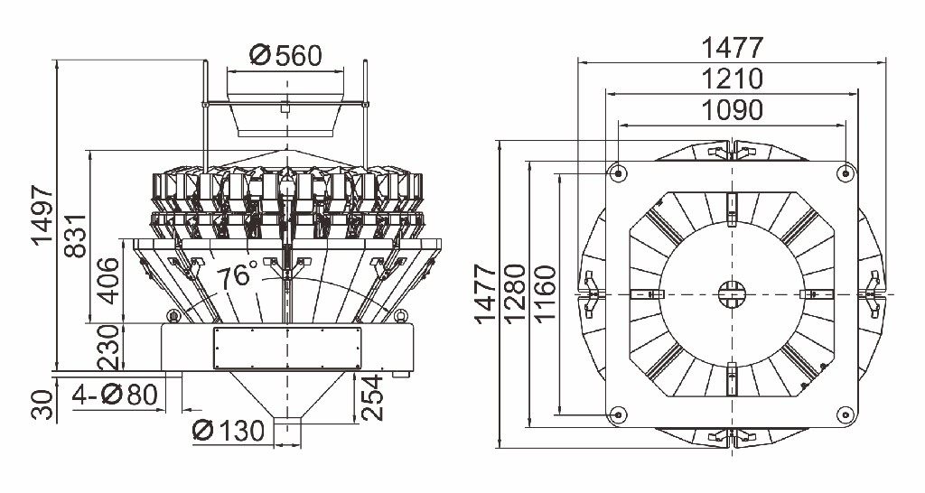
| Модель | JW-A24 |
| Определить код | A24-4-1 |
| Диапазон взвешивания | 12-1000g |
| точность | Х (0,5) |
| Максимальная скорость | 60x6P / М |
| Объем бункера | 0.5L |
| Панель управления | 10,1-дюймовый сенсорный экран |
| Параметры | Пластина с углублениями / бункер для синхронизации / принтер / устройство для отбраковки |
| Система вождения | Шаговый двигатель |
| Требования к мощности | 110/220 / 2800W / 50/60 Гц / 13A |
| Размер упаковки (мм) | 2100 (L) x1480 (Ш) X1130 (Н) |
| Общий вес | 650kg |



