

La pesadora multicabezal estándar es adecuada para pesar gránulos de peso pequeño como tabletas de medicina china, té, granos de café, granos de chocolate, pasas de Corinto y otros bocadillos, hardware, partículas de plástico y otros materiales particulados, pesaje cuantitativo.

1. Célula de carga especial con alta precisión y alto nivel.
2. La función de recuperación del programa puede reducir las fallas de operación y soportar la calibración de peso de múltiples segmentos.
3. La amplitud lineal se puede ajustar de forma independiente.
4. Muchos idiomas disponibles para mercados globales.
5. La capacidad de 100 programas puede cumplir con varios requisitos de pesaje y el menú de ayuda fácil de usar contribuye a una operación sencilla.
1. Nuevo diseño de máquina —serie, aspecto elegante.
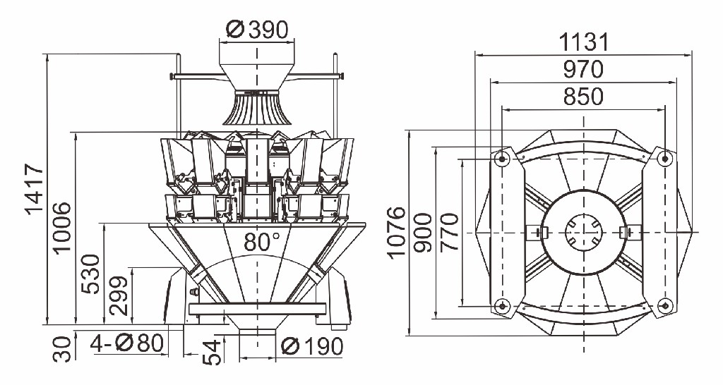
2. Diseño fácil de mover para el embudo de alimentación y el embudo de descarga, que es más conveniente para limpiarlo.
3. Diversos accesorios opcionales pueden cumplir con varios requisitos de pesaje.
4. El proceso de fabricación de moldes y los estándares de diseño uniformes contribuyen a una mejor intercambiabilidad de las piezas de repuesto.
5. Opción: cuerpo de la máquina de acero dulce pintado.
| Nombre | Primera báscula multicabezal estándar de acero al carbono serie G 10 cabezales II | Pesadora multicabezal estándar de acero al carbono 1st G 14heads II Series | Pesadora multicabezal estándar 1st G 10heads II Series | Primera báscula multicabezal estándar serie G 14 cabezales II |
| Modelo | JW-A10 | JW-A14 | JW-A10 | JW-A14 |
| Código de identificación | A10-1-17T | A14-1-17T | A10-1-17 | A14-1-17 |
| Rango de pesaje | 10-1000g | 10-1500g | 10-1000g | 10-1500g |
| Exactitud | X (0,5) | X (0,5) | X (0,5) | X (0,5) |
| Máxima velocidad | 65P / M | 120P / M | 65P / M | 120P / M |
| Volumen de la tolva | 1.6 / 2.5L | |||
| Panel de control | Pantalla táctil de 7 " | |||
| Opciones | Placa de hoyuelos / Tolva de sincronización / Impresora / Dispositivo de rechazo | |||
| Sistema de conducción | Motor paso a paso | |||
| Requisitos de energía | 220V / 1000W / 50 / 60Hz / 8A | 220V / 1200W / 50 / 60Hz / 10A | 220V / 1000W / 50 / 60Hz / 8A | 220V / 1200W / 50 / 60Hz / 10A |
| Dimensión de embalaje (mm) | 1770 (largo) x1100 (ancho) x1190 (alto) | 1770 (largo) x1100 (ancho) x1190 (alto) | 1770 (largo) x1100 (ancho) x1190 (alto) | 1770 (largo) x1100 (ancho) x1190 (alto) |
| Peso bruto | 370 kg | 470 kg | 370 kg | 470 kg |



