

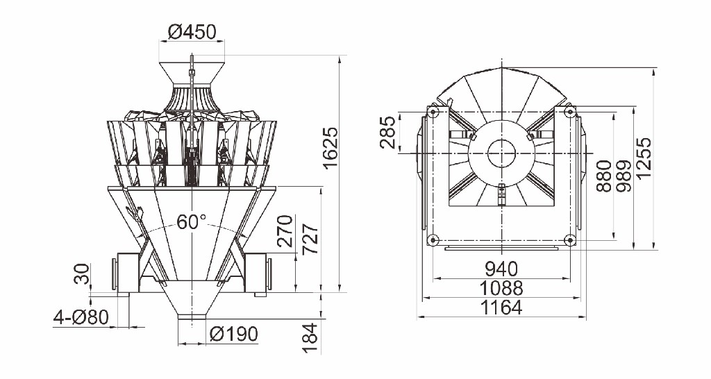
La pesadora multicabezal de pescado anchoa de 14 cabezas es adecuada para materiales con alta viscosidad y con mucho aceite, es fácil de pegar en la tolva y material que se puede deslizar en el conducto de descarga de 60 ángulos, como pescado picante, pato en salsa, etc.

1. Célula de carga especial con alta precisión y alto nivel.
2. La función de recuperación del programa puede reducir las fallas de operación, admite la calibración de peso de múltiples segmentos.
3. Ninguna función de pausa automática de productos puede mejorar la estabilidad del pesaje.
4. Hay muchos idiomas disponibles para los mercados globales.
5. La capacidad de 100 programas puede cumplir con varios requisitos de pesaje y el menú de ayuda fácil de usar contribuye a una operación sencilla.
1. El vibrador de inducción electromagnética mejorado acelera la alimentación del material.
2. Bandeja vibratoria lineal especial inclinada para asegurar un flujo suave de materiales.
3. La tolva descargada con un ángulo pequeño es mejor para la caída de materiales, control efectivo del problema de adherencia.
4. Tolva abierta especial de una sola puerta, estructura de diseño antiadherente para garantizar un flujo suave de materiales, evitar que se peguen y garantizar la precisión del pesaje.
5. La detección de pesaje es opcional, realiza un control preciso del tiempo de alimentación y el grosor del material, asegura la precisión del pesaje.
| Modelo | JW-A10 | JW-A14 |
| Código de identificación | A10-16 | A14-16 |
| Rango de pesaje | 10 ~ 1000g | 10 ~ 1000g |
| Exactitud | X (0,5) | X (0,5) |
| Máxima velocidad | 40P / M | 60P / M |
| Volumen de la tolva | 1,6 litros | |
| Panel de control | Pantalla táctil de 7 " | |
| Opciones | Placa de hoyuelos / Tolva de sincronización / Impresora / Dispositivo de rechazo | |
| Sistema de conducción | Motor paso a paso | |
| Requisitos de energía | 110 / 220V / 1000W / 50 / 60Hz / 8A | 110 / 220V / 1500W / 50 / 60Hz / 10A |
| Dimensión de embalaje (mm) | 1620 (largo) x1100 (ancho) x1420 (alto) | 1750 (largo) x1160 (ancho) x1420 (alto) |
| Peso bruto | 380kg | 490 kg |



